首页
青蓝结对
管理创新
创新思维
TRIZ发明原理
实验试验
课题研究
每日创意
我们
登录
注册
课题研究
分类
揭榜挂帅
创新型课题
问题解决型课题
课题研究准则
工具1-分层法
工具2-调查表
工具3-排列图
工具4-头脑风暴
工具5-亲和图
工具6-因果图
工具7-树图
工具8-关联图
工具9-水平对比法
工具10-流程图
工具11-PDPC图
工具12-简易图表
工具13-直方图
工具14-散布图
工具15-控制图
工具16-优选法
工具17-正交试验设计
工具18-矩阵图
工具19-箭条图
软件1-Minitab
软件2-MATLAB
揭榜挂帅
未来船舶绿色智能运维车间
作者:TRIZ大师
1次阅读
课题研究
如何降低马路上的空气中粉尘含量?
作者:TRIZ大师
0次阅读
工具17-正交试验设计
正交试验设计
作者:TRIZ大师
0次阅读
问题解决型课题
缩短变电站设备红外测温耗时
作者:TRIZ大师
0次阅读
创新型课题
配电变电器套管紧固螺母感应加热装置
作者:诺依曼
1次阅读
课题研究准则
质量管理小组活动准则
作者:诺依曼
0次阅读
课题研究准则
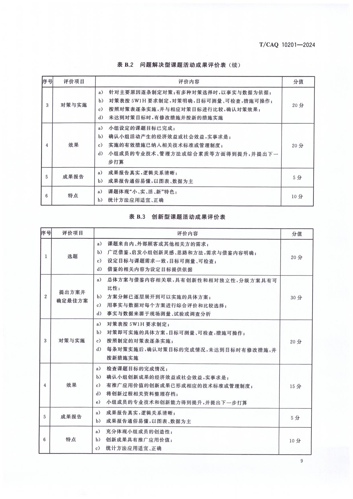
课题活动成果评价表
作者:诺依曼
0次阅读
创新型课题
创新型活动流程
作者:诺依曼
1次阅读
问题解决型课题
问题解决型活动流程
作者:诺依曼
0次阅读
揭榜挂帅
降低室内空气中悬浮粉尘数量
作者:诺依曼
0次阅读
«
1
2
3
4
5
6
»